FACE-ID moduly ke snímačům eSeries
> Hardware > eSeries
FACE-ID modul
Přídavný FACE-ID modul určený ke snímačům řady eReader a eSmartReader. Tento modul přináší pokročilé řešení pro aplikace na evidenci docházky a správu přístupu, kde je kladen důraz na nejvyšší úroveň bezpečnosti prostřednictvím bezkontaktní biometrické identifikace. Autentizace uživatelů je zabezpečena pokročilými algoritmy s využitím umělé inteligence, které přesně ověřují obličej. FACE-ID modul je navržen jako moderní alternativa k technologii otisků prstů, a to díky své vyšší přesnosti a jednodušší obsluze. Je dodáván v plastovém boxu určeném k vnitřní montáži na zeď, který je kompatibilní s určitými řadami ER a ES (viz. níže). Modul obsahuje vlastní samostatný napájecí zdroj podporující napájení pomocí PoE+ nebo 12VDC. Modul je určen k instalaci ke vstupním dveřím a turniketům ve spojení se snímači eSeries a dveřními zámky. Kapacita modulu je až 50.000 osob v režimu vyhodnocení 1:N.
Typy zařízení:
- ES-F/B eSmartReader modul pro rozpoznávání obličeje, černý
- ER-F/B eReader modul pro rozpoznávání obličeje, černý
Hlavní výhody identifikace pomocí obličeje:
- Bezkontaktní a hygienické otevírání – eliminace kontaktu uživatelů s HW = zrychlení přístupu
- Rychlé a spolehlivé ověření identity – vyšší přesnost při identifikaci
- Vysoká úroveň bezpečnosti – odolnost proti podvodům a falšování

Princip ověřování obličeje:
Zařízení obsahuje 2 kamery. Vestavěná technologie Fusion Matching kombinuje infračervené a vizuální ověřování obličeje s unikátním algoritmem hlubokého učení, čímž dosahuje výjimečné přesnosti ověřování a nejlepšího výkonu proti falšování dat. Algoritmus detekce v reálném čase (LFD) přesně rozlišuje obličeje uživatelů trojrozměrnou analýzou intenzity pixelů. Dokonale zamezuje falšování pomocí fotografie nebo 3D tištěné masky (anti-spoofing). Kamera detekuje změny v okolním prostředí. Automatickým ovládáním integrovaného infračerveného LED světla podle okolního jasu je možné ověřovat uživatele v tmavé místnosti i v blízkosti oken se silným okolním světlem.
Možnost připojení zařízení je SW Aktion.NEXT podporována od
verze 5.0:
- V nastavení adresového bodu typu eReader a eSmartReader lze aktivovat volbu „Snímač biometrie obličeje“
- V případě aktivace již nelze kombinovat s variantou „Snímač otisků prstů“ (platí pro snímač 1 i snímač 2)

Modul lze připojovat ke snímačům eSeries řady:
- ER-320, ES-320 – Mifare/DESfire 13,56 (nový model s podporou NFC standardů, dostupný od 4Q/2025).
- ES-301 – UNIQUE 125 KHz (pouze inovovaný model po datu výroby 4Q/2025).

Pozn:
Snímače ER-320 a ES-320 (ES-301 vyrobené po 4Q/2025), které umožňují připojit FACE-ID modul, jsou na zadní straně vybaveny přídavným 4-PIN konektorem DATA FACE (viz obr.)

FACE-ID/USB lokální snímač
Samostatný FACE-ID lokální snímač určený primárně pro administrátory systémů zabezpečení a správy přístupu. Toto kompaktní zařízení komunikuje prostřednictvím USB rozhraní a připojuje se k místnímu počítači s nainstalovaným softwarem Aktion. Hlavní funkcí snímače je nahrávání a tvorba digitálních šablon obličejů „template“ – buď přímo z kamery integrované v modulu, nebo alternativně z kvalitní fotografie osoby vložené do softwaru Aktion. Každá instalace vyžaduje nainstalované jedno zařízení FACE-ID/USB, které v systému slouží jako hlavní zdroj pro tvorbu obličejových šablon. Tyto šablony jsou poté bezpečně, kryptovaným přenosem AES256, přenášeny do všech dalších přístupových modulů ES(ER)-F v rámci systému, což zajišťuje vysokou úroveň bezpečnosti a integrity dat prostřednictvím komunikačního serveru Aktion.
Modul je dodáván v plastovém boxu, vybaveném upevňovacím držákem pro uchycení stativ nebo jiný standardní držák, což umožňuje snadné umístění například na stůl vedle počítače. Ideálním místem pro jeho použití je kancelář správce systému, který má na starosti správu přístupových oprávnění, výdej identifikačních karet a administraci uživatelských dat.
Proces zadání nového uživatele do systému je velmi jednoduchý a rychlý – osoba se pouze podívá do kamery a správce stiskne tlačítko v softwaru Aktion, čímž je její obličejová šablona rychle uložena. Pokud osoba nemůže být fyzicky přítomna, lze její profil přidat také nahráním kvalitní portrétní fotografie. Tento jednoduchý a efektivní postup výrazně urychluje a zjednodušuje správu osob.
Zařízení vyžaduje pro připojení min. port USB 3.0 z důvodu vyššího požadavku na proudový odběr. Pokud PC není vybaven tímto typem portu, nebo pokud v některých zařízeních bude port 3.0 nedostačující (např. některé notebooky), lze pro posílení napájení použít přídavný USB HUB s externím napájecím adaptérem.

Příslušenství:
- Stativ – stolní stojánek s výsuvným ramenem (součástí dodávky), umožnuje přizpůsobit výšku snímače pro optimální způsob skenování stojící či sedící osoby
- USB HUB – doporučený typ např. AXAGON HUE-S2BP 4-Port USB 3.0 CHARGING hub

Varianty zařízení
| ER-F/B | ES-F/B | FACE-ID/USB |
|---|---|---|
![]() |
![]() |
![]() |
|
|
|
Rozměry modulů včetně připojených snímačů



Připojení
Síťová konektivita
Každé zařízení vyžaduje samostatné připojení pomocí ETHERNET rozhraní 10 Mbit. Pro oboustranné vstupy je třeba na aktivním prvku počítat s přípojkou 2×LAN. Dvě zařízení s FACE-ID modulem mezi sebou nelze propojovat pomocí lokální sběrnice eData. Na sběrnici eData nelze vzájemně kombinovat připojení zařízení s technologií FACE-ID a Otiskem prstu.

Signál „Tlačítko“
Pro ovládání oboustranného vstupu se zachováním bezpečnostních funkcí typu „Průnik“ a „Time out“ je vhodné zapojit relé příchodového snímače na vstup „BUTT“ odchodového snímače. Na odchodovém snímači je nutné aktivovat možnost „otvíraní dveří tlačítkem“. Odchodovým snímačem lze pak kompletně řídit ovládání zámku a monitorování dveří i při průchodu osoby na příchodovém snímači. V případě požadavků na vyšší zabezpečení lze k příchodovému snímači doplnit bezpečnostní relé eRelay, a až tímto zařízením ovládat vstup BUTT.
Napájení a data
PoE+:
Před připojením zařízení se ujistěte, že váš aktivní prvek podporuje standard IEEE 802.3at, (maximální výkon až 30 wattů na port). Případně lze použít samostatný PoE injektor, doporučený typ TENDA model PoE30G-AT. Pokud je zařízení napájeno z PoE+ zdroje, je zajištěno napájení i ostatních připojených zařízení (ER/ES, EY-2, el. dveřní zámek).
12VDC:
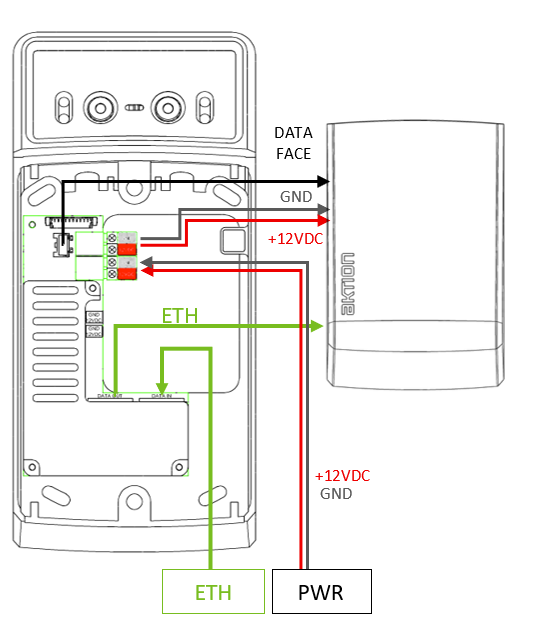
Zařízení je možné napájet z externího zálohovaného zdroje. Výstupní proud zdroje je třeba dimenzovat podle počtu připojených zařízení. Max. odběr samotného ER(ES)-F modulu ve špičce je 850mA. Je tedy třeba použít zdroj s minimálním výstupním proudem 2A (a více) aby bylo zajištěno napájení i ostatních připojených zařízení (ER, ES, EY-2, el. dveřní zámek). Doporučený zdroj je 12VDC/3A.
Pro připojení napájení a datové sítě ETHERNET je určena napájení elektronika integrovaná do montážního boxu (podložky). Přívod napájení (PoE+ nebo 12VDC) a ETHERNET musí být nejdříve zapojeny na vstupy elektroniky dle obrázku. Pro připojení snímače ER nebo ES jsou určeny výstupní signály DATA FACE (4PIN kabel), 12VDC (2žilový kabel), ETHERNET (2×RJ45 kabel).
Zapojení ER-F/B s napájením PoE+

Zapojení ER-F/B s externím napájením +12VDC

Pozn: Pro zařízení ES-F/B a eSmartReader je způsob připojení kabeláže shodný.
Propojovací kabely jsou součástí balení.

Provozní režimy
1:N
identifikace pouze pomocí obličeje. Snímač vyhledá shodu zadaného ID osoby s ID osoby nasnímané pomocí kamery.

1:1
Identifikace pomocí ID karty a verifikace pomocí obličeje. Snímač porovnává shodu ID osoby podle přiložené karty a ID osoby nasnímaným pomocí kamery.

Režim identifikace je na zařízeních eSmartReader signalizován na displeji grafikou (viz. obr). Na zařízeních eReader je signalizace řízena pomocí LED diod:
- Modrá – výchozí stav (čeká na obličej nebo ID kartu)
- Zelená – identifikace OK
- Červená – FACE identifikace neprovedena nebo přístup odmínut
- Žlutá – po kladné identifikaci ID kartou čeká na přiblížení obličeje (jen v režimu 1:1)
Důležité UPOZORNĚNÍ:
U režimu identifikace je na zařízeních eSmartReader v kombinaci s používáním docházkových tlačítek implementována nová logika ovládání. Osoba nejdříve identifikuje obličejem 1:N, nebo ID kartou a obličejem 1:1, a následně dojde ke zobrazení docházkové klávesnice. V dalším kroku musí osoba potvrdit docházkovou akci stisknutím tlačítek PŘÍCHOD/ODCHOD/PŘERUŠENÍ, a teprve na základě tohoto kroku, dojde zapsání průchodu do systému a provedení výsledné akce (otevření dveří). Pokud osoba nepotvrdí akci tlačítkem, akce se nezapíše a po vypršení timeoutu (čas zobrazení) se zařízení vrátí do výchozího stavu.

Nastavení rozpoznávací vzdálenosti
Min (50 cm) – je doporučena pro většinu míst, zejména pak:
- Kde je úzký prostor pro průchod (typicky průchozí chodba), aby nedocházelo k “samovolné” identifikaci při průchodu osob okolo snímače.
- Kde je umístěno více zařízení v jednom směru blízko sebe (typicky více vstupních turniketů).
- Kde je zařízení určeno pro identifikaci docházky (eSmartReader) a je třeba zajistit identifikaci pouze osoby, která zadává na klávesnici zařízení důvod své docházky (příchod/odchod/služební cesta, apod).
Max (1,3 m) – doporučuje se pro prostory:**
- Kde je žádoucí, aby se osoba identifikovala na větší vzdálenost ve spojení s pohodlným otevíráním dveří. Typicky např. automatické (lineární) vstupní dveře na konci chodby, kde osoba přichází kolmo.
Postup pro nastavení vzdálenosti je popsán v kapitole Nastavení parametrů v SW.
Prostředí
Zařízení je určeno pro instalaci do vnitřního prostředí. Při instalaci je třeba brát v úvahu místní světelné podmínky a zvolením vhodné instalační pozice omezit přímý svit slunečního světla do objektivu kamer. Vhodnou pozicí se eliminuje počet chybných vyhodnocení.

Úhel záběru a rozpoznávání
Úhel kamery, ve kterém probíhá detekce obličeje, je nastavitelný (horizontální citlivost) v rozmezí 15–45° (viz. kapitola nastavení SW). Na následujícím obrázku je patrné, kde bude probíhat detekce osoby vysoké cca 170 cm při nastavení rozpoznávací vzdálenosti na 50 cm a max. úhlu 45°. Osobě se tedy stačí „přiblížit“ k zařízení na nastavenou vzdálenosti. Probíhající detekce obličeje je signalizována blikáním LED kontrolek u kamery.
Vyhodnocení obličejů
Zařízení pracuje s 3D vyhodnocením jednoho obličeje v reálném čase. Aby došlo k pozitivní identifikaci je třeba, aby osoba inicializovala zařízení přiblížením obličeje ke snímači na dobu cca 1sec. Zařízení proto není určené k identifikaci volného průchodu více osob najednou určitým prostorem. Zařízení je tedy ideální provozovat ve spojení s mechanickou zábranou (dveře, turniket). Rozpoznávací vzdálenost znamená, kdy zařízení začne detekovat přítomnost obličeje. Na vlastní vyhodnocení mohou mít vliv místní světelné podmínky a úhel natočení obličeje. V praxi to tedy znamená, že v určitých případech se osoba musí ke snímači přiblížit na kratší vzdálenost, než je nastavená rozpoznávací vzdálenost.
- Brýle, čepice – algoritmus zařízení umožňuje automatické rozpoznávání osob s fousy, nasazenými brýlemi případně čepicí, pokud pokrývka hlavy nezasahuje do profilu obličeje (kšilt apod.)
- Rouška – v prostorech, kde jsou používány obličejové roušky, lze aktivovat parametr pro identifikaci v rouškách, včetně nastavení bezpečnostní úrovně detekce (Mask Check Level).
Bezpečnost, ochrana soukromí uživatelů a biometrických údajů
Zařízení je navrženo v souladu předpisy GDPR a NIS2. Pracuje anonymizovaně pouze se šablonami (charakteristika obličeje převedená na unikátní číselný kód) a neobsahuje fotografie osob. Komunikace obsahuje algoritmus výměny klíčů AES256 a ED25519 ověřený dle US NIST FIPS19. Vestavěný Secure Element (SE) ukládá šifrovací klíč pro prevenci kybernetických útoků a ochranu biometrických údajů. Z pohledu nařízení evropského parlamentu a rady EU 2016/679 (GDPR) se v případě použití těchto zařízení jedná o kategorii zpracování citlivých osobních údajů. Pokud v organizaci existují relevantní důvody pro použití biometrie, je třeba důvody objektivně zdůvodnit a mít zpracovanou bezpečnostní směrnici na daný účel použití, pro případné kontroly příslušných úřadů.
Nastavení parametrů v SW
Nastavení parametrů pro vyhodnocování a adresového bodu:
Parametry pro vyhodnocování obličejů se nastavují v SW Aktion v sekci Konfigurace – Parametry snímače FACE ID. Tyto parametry se pak aplikují u nastavení každého adresového bodu. Pokud je třeba pro různé adresové body použít jiný typ nastavení, lze v této sekci vytvořit více typů konfigurace a ty následně přidělovat jednotlivým adresovým bodům. Výchozí parametry jsou po instalaci systému nastaveny podle následujícího obrázku:

- Horizontální citlivost = úhel pro rozsah snímání (úhel zleva doprava)
- Vertikální citlivost = úhel pro rozsah snímání (úhel zespoda nahoru), doporučuje se nechat max. úhel z důvodu snímání menších i vyšších osob
- Úroveň bezpečnosti = doporučena nechat „Normální“
- Čas vyhledávání = omezení limitu pro naskenování a vyhledání template osoby v režimu 1:N doporučeno nechat delší čas (6 sec)
- Prodleva mezi snímáním = čas kdy kamera začne detekovat obličej znovu pro předchozím čtení
- Detekce falešného snímku obličeje (anti-spoofing), doporučeno nechat „Normální“
- Kontrola zakrytí obličeje (roušky apod), lze zapnout a nastavit úroveň detekce, při použití je třeba vyzkoušet vhodný parametr na dané instalaci podle místních podmínek
- Detekce uživatele = nastavení detekční vzdálenosti od zařízení, doporučeno používat hodnoty typu „Méně než 50 až 130 cm“.
Na základě nastavení výchozího nastavení snímače FACE ID je doporučeno provést nastavení adresového bodu tak, aby časy snímače FACE ID byly v souladu se zobrazováním informací na displeji zařízení a chování LED kontrolek:
- Parametry snímače obličeje = pokud je nastaveno „Výchozí“ podle výše uvedeného obrázku, tak další parametry by měly být následující:
- Doba zobrazení = doporučuje se nastavovat v rozmezí pouze 4–5 sec
- Piktogramy (eSmartReader) doručuje se zapínat a nastavovat v rozmezí 1–4 sec
- Mód otevírání = IK nebo biometrie (pro mód 1:N) nebo IK a biometrie (pro mód 1:1)

Nastavení parametrů pro připojení lokálního snímače (FACE-D/USB):
Připojení fyzicky probíhá pomocí USB portu, nicméně pro zprovoznění je třeba v PC nastavit IP adresu virtuální sítě, kterou snímač využívá pro komunikaci. Pro nastavení je třeba a mít na PC právo administrátora. Po fyzickém připojení snímače otevřete sítová připojení a najděte identifikované „Remote NDIS“ zařízení. V síťovém IP protokolu nastavte pevnou následující IP adresu:
- 172.16.110.2 (maska 255.255.0.0, výchozí brána nemusí být vyplněná).

Protože je takto vytvořená síť pouze virtuální, a používá se pouze
lokálně na daném PC, nebude ovlivňovat ostatní zařízení se stejnou IP
adresou. Abyste následně ověřili funkčnost kamery, otevřete v SW Aktion
detail osoby a záložce „Biomerie obličeje – FACE ID zařízení“
zapněte volbu „Získat template skenováním“. V pravém
okně se musí objevit obraz z připojené kamery. Pokud má PC více kamer
(např. vestavěná kamera v NB), bude patrně třeba v tomto okně ještě
přepnout „Zdroj obrazu“. To se provede kliknutím na symbol ozubeného
kolečka v obraze a v následné nabídce je třeba zvolit položku „UVC RGB
zařízení“.

Nahrávání obličejů
Optimální a doporučené řešení je pořizovat template obličejů on-line přímo z kamery snímače FACE-ID/USB připojené k počítači. Pokud je v SW Aktion uložena fotografie osoby (např. pro potisk karet), lze alternativně vytvořit template i z existující fotografie, ale pro účely systému nemusí být tato fotografie vhodná (je třeba vždy individuálně vyzkoušet).
Pokud se po pokusu o nahrání zobrazí u obrázku osoby červená hodnota 0 %, znamená to, že na daném počítači chybí potřebné DLL soubory pro správné zpracování template. V takovém případě nainstalujte nejnovější verzi Microsoft Visual C++ Redistributable (x64). Po dokončení instalace by mělo nahrávání template proběhnout bez problémů.
V případě zadávání template z fotografií osob lze v případě potřeby upravit dva parametry. Parametry pro zadávání obličejů se nastavují v SW Aktion v sekci Konfigurace – Konfigurace aplikace – záložka Přístup. V okně Biometrický snímač FACE ID je možné nastavit následující volby:
- Kontrola fotografie osob = ponechat „Normální kontrola“
- Minimální kvalita template obličeje % = nevytvoří template, pokud nedosáhne požadované kvality, doporučeno požívat co nejvyšší např. 90%. Parametr lze případně individuálně snížit jen pro konkrétní zadávanou osobu v sekci Osob

Technické parametry zařízení
| Parametr | ER-F/B | ES-F/B | FACE-ID/USB |
|---|---|---|---|
| Typ modulu | Q-FACE | ||
| CPU | Čtyřjádrový 32bitový 1,5Ghz NPU ARM Cortex-A7 (až 2TOPS) | ||
| Rychlost ověření | Detekce a
rozpoznání obličeje < 500 ms Celkové vyhodnocení přístupu < 1 s |
||
| Rozpoznávací vzdálenost | Nastavitelná 0,5–1,3m | ||
| Rozlišení kamery (š x v) | 720×1280 | ||
| Zorný úhel | Vertikální pozorovací úhel 65° | ||
| Světelné podmínky | 0,01 lux až 65 000 lux | ||
| Kamerový systém | Systém dvou
kamer (RGB+ IR) 1/2,8 CMOS 4EA IR LED (850 nm) |
||
| Kapacita uživatelských profilů | 1:N až 50 000 | ||
| Přesnost | FRR 1% / FAR 0,000001% (1/100 000 000) | ||
| Antispoofing | Ano | ||
| Připojení | UART | USB 3.0 /* | |
| Provozní teplota | 0°C až +40°C | ||
| Napájení | 12V DC / PoE+ | 5V DC (USB port) | |
| Kompatibilita se snímači eSeries | ER-320,
ES-320, ES-301 Pozn: verze ES-301 od modelů vyrobených po 4Q/2025 |
||
| Celkové
rozměry zařízení včetně připojeného snímače (Š x V x H) |
82,9 × 176,9 × 74,1 mm | 83,9 × 249,5 × 77,4 mm | 83,2 × 46,8 × 24,4 mm Pozn: bez stojánku |
| Použití | Vnitřní prostory | ||
| Krytí | IP 30 | ||
Při nedostatečném napájecím výkonu portu použijte pomocný USB hub (např. doporučený typ např. AXAGON HUE-S2BP 4-Port USB 3.0 CHARGING hub)
Montáž
Doporučená výška instalace zařízení je 120 cm spodní okraj od země (myšleno spodní okraj celého kompletu snímače). Přizpůsobení výšky je vhodné zvážit podle místních podmínek i předpokládanému nastavení rozpoznávacího úhlu a vzdálenosti. Před vlastní instalací je třeba pečlivě zvážit výšku instalace, případně provést i funkční zkoušku (testovací provoz) z nejmenšími i nejvyššími osobami v dané organizaci. V tomto případě platí úměra – čím je lepší zvolené umístění a pozice zařízení, tím je zaručen lepší provozní výsledek.
Standardní postup instalace:
- Do podkladu vyvrtat otvory pro uchycení ER(ES)-F modulu, rozteče dle výkresu
- Dále do podkladu vyvrtat otvory pro přívodní kabely
- Instalovat přívodní kabely, protáhnout skrze modul
- Přiloženým spojovacím materiálem uchytit modul na podklad
- Modul ER-F se připevňuje 2–4 šrouby
- Modul ES-F se připevňuje 2–4 šrouby + POZOR modul je třeba připevnit současně s kovovou podložkou pro nasunutí eSmartReaderu (podložka je součástí balení zařízení eSmartReader)
- Připravit si snímač ER-320 nebo ES-320
- Zapojit kabely mezi modulem a snímačem v pořadí:
- 4-PIN propojovací kabel mezi modulem a snímačem
- LAN propojka mezi modulem a snímačem
- Napájení 12VDC mezi modulem a snímačem
- Dále připojit ovládaný do vlastního snímače (dveře, kontakty dle standardního návodu)
4. Nakonec zapojit přívodní LAN + PoE kabel
5. Alternativně lze zapojit samostatný přívod 12VDC, pokud není dostupné
PoE+ napájení
- V případě správného zapojení kabelů naběhne snímač do provozního stavu
- Připevnit snímač na modul
- Snímač ER-320 pomocí 2ks metrických šroubů (součástí balení modulu)
- Snímač ES-320 nacvaknout na kovovou podložku


